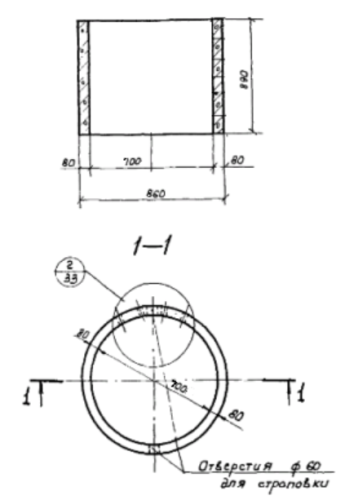
Кольцо стеновое цилиндрическое КС7.9 - основной вертикальный элемент высотой не менее 250 мм, формирующий рабочее пространство или горловину колодца.
Изготовление регламентируется ГОСТом 8020-2016 "КОНСТРУКЦИИ БЕТОННЫЕ И ЖЕЛЕЗОБЕТОННЫЕ ДЛЯ КОЛОДЦЕВ КАНАЛИЗАЦИОННЫХ, ВОДОПРОВОДНЫХ И ГАЗОПРОВОДНЫХ СЕТЕЙ"
- КС – кольцо опорное с днищем;
- 10 – внутренний диаметр кольца (измеряется в дм.);
- 9 – высота кольца (измеряется в дм.);
|
Объем бетона
|
0,15 м3 |
|
Вид бетонной смеси
|
БСТ В25П3F150W4 по ГОСТ 7473-2010 (М350) |
|
Армирование
|
Арматурный каркас ненапряженного типа сваривается в виде сеток из хлоднотянутой низкоуглеродистой проволоки марки ВI ГОСТ 6272-80 |
|
Длина, м
|
0.86 |
|
Ширина, м
|
0.7 |
|
Масса, кг
|
360 |
|
Высота, м
|
0.9 |
Мы работаем с физическими и юридическими лицами. И предоставляем сразу два варианта оплаты.
- Наличные. Вы подписываете товаросопроводительные документы, расплачиваетесь денежными средствами, получаете товар и чек.
- Безналичный расчет. Принимаем карты Visa и MasterCard. Доступен при курьерской доставке.
Ваш заказ можем доставить собственными ресурсами, при условии вашего нахождения в городе. Либо через 4 варианта доставки:
- Курьерская доставка. Курьерская доставка работает с 9:00 до 19:00. Когда товар поступит на склад, курьерская служба свяжется для уточнения деталей. Специалист предложит выбрать удобное время доставки и уточнит адрес.
- Самовывоз из магазина. Для получения заказа обратитесь к сотруднику в кассовой зоне и назовите номер.
- Сотрудничаем с постаматами. Срок хранения — 3 дня.
- Предоставляем почтовую доставку через почту России. Когда заказ придет в отделение, на ваш адрес придет извещение о посылке. Вскрывать коробку самостоятельно вы можете только после оплаты заказа.
Дополнительная вкладка для размещения информации о товарах, доставке или любого другого важного контента. Поможет вам ответить на интересующие покупателя вопросы и развеять его сомнения в покупке. Используйте её по своему усмотрению.
Вы можете убрать её или вернуть обратно, изменив одну галочку в настройках компонента. Очень удобно.
