Плита дорожная с ненапрягаемой арматурой для временных дорог 2П30.18-30 ГОСТ 21924.0-84 используются для организации временных дорог – подъездных путей к строительным площадкам и промышленным сооружениям.
- 2П – плита дорожная временного пользования;
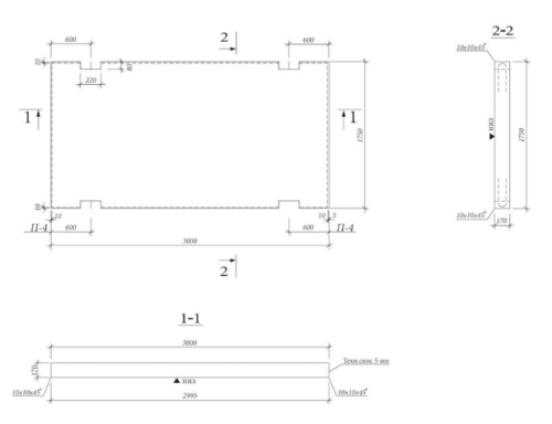
- 30 – длина (измеряется в дм);
- 20 – ширина (измеряется в дм);
- 30 – максимальная нагрузка (измеряется в тоннах).
|
ГОСТ
|
21924.0-84 |
|
Объем бетона
|
0,88 м3 |
|
Вид бетонной смеси
|
БСТ В22,5П2F150W4 по ГОСТ 7473-2010 (М300) |
|
Нагрузка
|
Н30 соответствует классу А14 |
|
Армирование
|
Арматурный каркас ненапряженного типа сваривается в виде двух сеток, не связанных между собой из арматуры классов d10 А-I, Ат-ШC, A-III с рифленой поверхностью. |
|
Длина, м
|
3 |
|
Ширина, м
|
1,75 |
|
Масса, кг
|
2200 |
|
Высота, м
|
0,17 |
Мы работаем с физическими и юридическими лицами. И предоставляем сразу два варианта оплаты.
- Наличные. Вы подписываете товаросопроводительные документы, расплачиваетесь денежными средствами, получаете товар и чек.
- Безналичный расчет. Принимаем карты Visa и MasterCard. Доступен при курьерской доставке.
Ваш заказ можем доставить собственными ресурсами, при условии вашего нахождения в городе. Либо через 4 варианта доставки:
- Курьерская доставка. Курьерская доставка работает с 9:00 до 19:00. Когда товар поступит на склад, курьерская служба свяжется для уточнения деталей. Специалист предложит выбрать удобное время доставки и уточнит адрес.
- Самовывоз из магазина. Для получения заказа обратитесь к сотруднику в кассовой зоне и назовите номер.
- Сотрудничаем с постаматами. Срок хранения — 3 дня.
- Предоставляем почтовую доставку через почту России. Когда заказ придет в отделение, на ваш адрес придет извещение о посылке. Вскрывать коробку самостоятельно вы можете только после оплаты заказа.
Дополнительная вкладка для размещения информации о товарах, доставке или любого другого важного контента. Поможет вам ответить на интересующие покупателя вопросы и развеять его сомнения в покупке. Используйте её по своему усмотрению.
Вы можете убрать её или вернуть обратно, изменив одну галочку в настройках компонента. Очень удобно.
