Фильтр
По популярности (убывание)
По популярности (убывание)
8900
Заказать
9400
Заказать
10700
Заказать
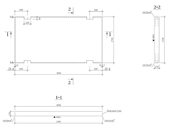
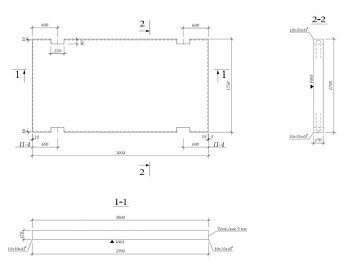
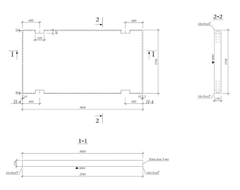
Плиты дорожные 1П30.18-30 и 2П30.18-30 это железобетонные изделия с ненапрягаемой арматурой, изготовляемые из тяжелого бетона и предназначенные для устройства сборочных покрытий постоянных и временных городских дорог под автомобильную нагрузку Н-30. Изготовление изделий регулируется ГОСТом 21924.0-84 «Плиты железобетонные для покрытий городских дорог. Технические условия».
